ホーム
製品案内
ロータリーバルブ寸法表
ダブルダンパ寸法表
お問合せ先
   
 


ダブルダンパ

角型DD外形図
角型DD寸法表
注:Iの寸法は、モーターにより異なります。
  上記の他に特殊フランジ、各種フランジ対応しています。
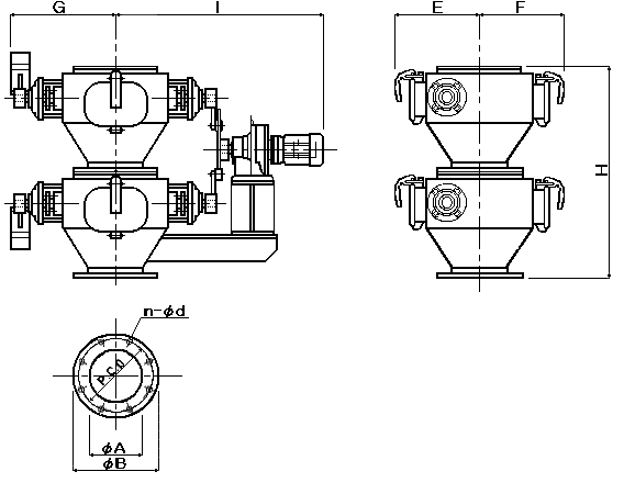
丸型DD外形図
丸型DD寸法表
注:Iの寸法はモーターにより、異なります。
  上記の他に特殊フランジ、各種フランジ対応しています。

ホームへ戻る製品案内へ戻る
上に戻る
ロータリーバルブ寸法表へ